USP Icon
Pay after delivery
USP Icon
Customers rate Zandri 9
USP Icon
More than 100,000 parts in the assortment

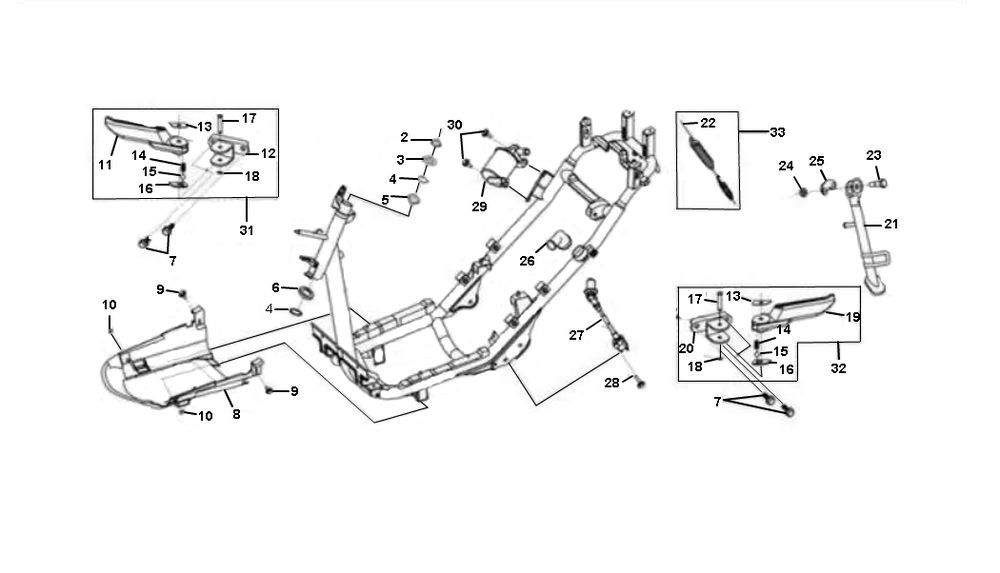
Frame Sym Jet Sport-X 2-stroke

Frame Sym Jet Sport-X 2-stroke
loader
Loading...