USP Icon
Pay after delivery
USP Icon
Customers rate Zandri 9
USP Icon
More than 100,000 parts in the assortment

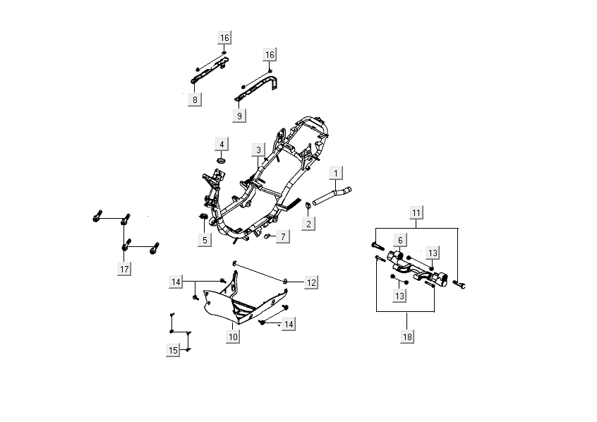
Frame parts kymco Agility Delivery 4-stroke euro4 white

Frame parts kymco Agility Delivery 4-stroke euro4 white
loader
Loading...

Spare parts Kymco Delivery Euro4 white