USP Icon
Pay after delivery
USP Icon
Customers rate Zandri 9
USP Icon
More than 100,000 parts in the assortment

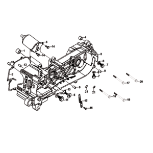
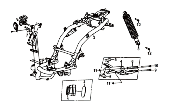
Frame / ophanging Sym Orbit III 125I E4

Frame / ophanging Sym Orbit III 125I E4
loader
Loading...

Sym Orbit III 125I Euro 4 RED (R-010CA)