USP Icon
Pay after delivery
USP Icon
Customers rate Zandri 9
USP Icon
More than 100,000 parts in the assortment

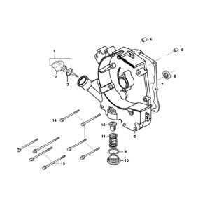
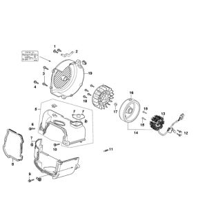
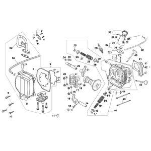
Front fork Viraggio Sensa 4-stroke

Front fork Viraggio Sensa 4-stroke
loader
Loading...