USP Icon
Pay after delivery
USP Icon
Customers rate Zandri 9
USP Icon
More than 100,000 parts in the assortment

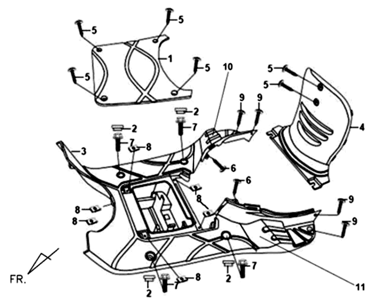
Footplate Under Spoilers

Footplate Under Spoilers
loader
Loading...