USP Icon
Pay after delivery
USP Icon
Customers rate Zandri 9
USP Icon
More than 100,000 parts in the assortment

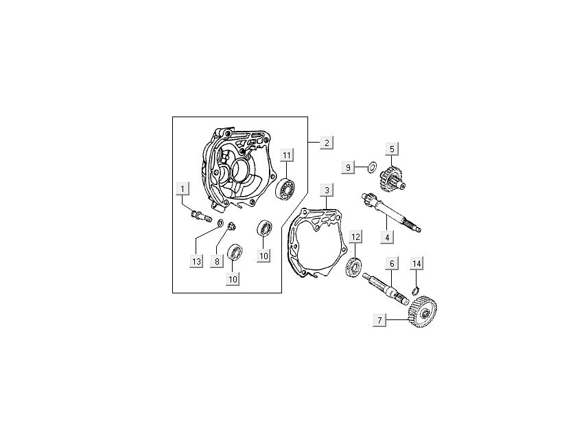
Final transmission - Carter Kymco Super9 ac om Sport Blue

Final transmission - Carter Kymco Super9 ac om Sport Blue
loader
Loading...

Spare parts Kymco Super9 AC old model Sportblue