Tomos Luxe EX (L0-L1) onderdelen
De Tomos Luxe EX (L0-L1) is een klassieke en praktische uitvoering binnen de Tomos-serie. Dit model staat bekend om zijn comfortabele rijgedrag, degelijke techniek en de herkenbare uitstraling. Een veelvoorkomend kenmerk van de Luxe EX (L0-L1) is het mandje voorop, wat hem extra praktisch maakt voor dagelijks gebruik. Hierdoor combineert de brommer nostalgische charme met functioneel gemak.
Bij Zandri vind je zowel originele Tomos onderdelen als kwalitatieve vervangende onderdelen. Zo heb je altijd de juiste keuze om jouw Tomos Luxe EX in topconditie te houden, of je nu kiest voor OEM-kwaliteit of een voordelig alternatief.
Waarom kiezen voor de Tomos Luxe EX (L0-L1)?
De Tomos Luxe EX (L0-L1) is geliefd om zijn herkenbare ontwerp en praktische eigenschappen. Dankzij het robuuste motorblok, de eenvoudige techniek en het handige mandje voorop is dit model ideaal voor dagelijks gebruik en nog altijd erg populair bij liefhebbers van klassieke Tomos brommers.
Veel bestelde Tomos Luxe EX onderdelen bij Zandri
Sommige onderdelen van de Tomos Luxe EX slijten sneller of worden vaak vervangen tijdens onderhoud. Bij Zandri hebben we deze onderdelen altijd ruim op voorraad. Denk hierbij aan:
- Banden
- Uitlaten
- Cilinders
- Luchtfilters
- Ketting en tandwielen
Deze onderdelen bestel je eenvoudig en snel, zodat je Tomos Luxe EX (L0-L1) altijd betrouwbaar en rijklaar blijft.
Originele en vervangende Tomos onderdelen
Bij Zandri bestel je zowel originele Tomos onderdelen als betrouwbare vervangende onderdelen. Originele onderdelen garanderen de beste kwaliteit en pasvorm, terwijl vervangende onderdelen vaak een voordelig alternatief zijn. Zo kies je altijd wat het beste past bij jouw Luxe EX.
Daarnaast biedt Zandri de mogelijkheid om onderdelen te zoeken op OEM-nummers (ter referentie). Zo weet je altijd zeker dat je het juiste vervangende onderdeel bestelt.
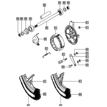
Vind eenvoudig het juiste onderdeel via technische tekeningen
Met behulp van de duidelijke technische tekeningen zie je precies waar elk onderdeel hoort. Je hoeft dus nooit te gokken en bestelt altijd het juiste onderdeel via onze webshop.
Zo werkt het:
- Kies jouw Tomos Luxe EX (L0-L1) model
- Bekijk de technische tekening
- Klik op het onderdeel dat je zoekt
- Bestel direct online
Montagehulp via ons YouTube-kanaal
Heb je hulp nodig bij het monteren van onderdelen? Op ons YouTube-kanaal vind je handige montagevideo’s speciaal voor Tomos brommers. Hier laten we stap voor stap zien hoe je onderdelen monteert en je Luxe EX in topconditie houdt.
Waarom onderdelen bestellen bij Zandri?
- Snelle levering – levertijd 1-3 werkdagen
- Veel op voorraad – originele én vervangende Tomos onderdelen
- Duidelijke tekeningen – je bestelt altijd het juiste onderdeel
- Goede klantenservice – wij denken met je mee
Bestel Tomos Luxe EX onderdelen bij Zandri
Of je nu kiest voor originele onderdelen of een voordelig vervangend alternatief: bij Zandri vind je alles om jouw Tomos Luxe EX (L0-L1) in topconditie te houden. Profiteer van ons ruime aanbod, snelle levering en uitstekende service.


