USP Icon
Pay after delivery
USP Icon
Customers rate Zandri 9
USP Icon
More than 100,000 parts in the assortment

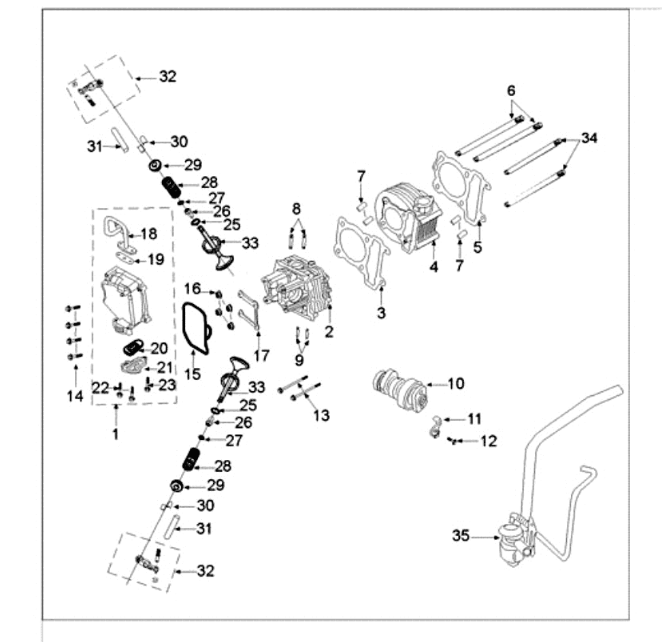
Distributie Peugeot Tweet 125 E3 2010-2013

Distributie Peugeot Tweet 125 E3 2010-2013
loader
Loading...