USP Icon
Pay after delivery
USP Icon
Customers rate Zandri 9
USP Icon
More than 100,000 parts in the assortment

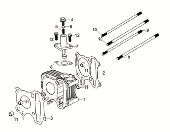
Sym Mio 50I E5 cylinder

Sym Mio 50I E5 cylinder
loader
Loading...