USP Icon
Pay after delivery
USP Icon
Customers rate Zandri 9
USP Icon
More than 100,000 parts in the assortment

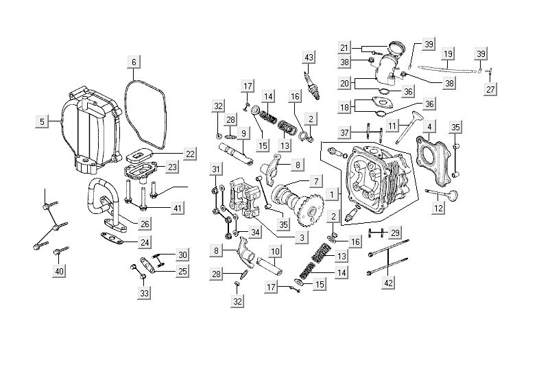
Cylinder parts Kymco Agility Fat 12' 4-stroke yellow

Cylinder parts Kymco Agility Fat 12' 4-stroke yellow
loader
Loading...

Spare parts Kymco Agility Fat 12 inch 4-stroke yellow