USP Icon
Pay after delivery
USP Icon
Customers rate Zandri 9
USP Icon
More than 100,000 parts in the assortment

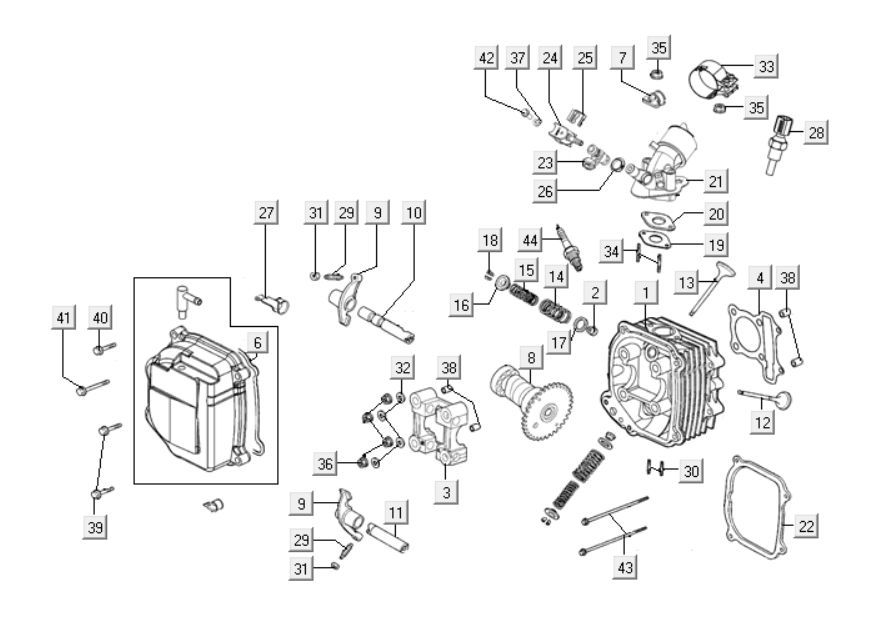
Cylinder head Kymco People One 125i

Cylinder head Kymco People One 125i
loader
Loading...