USP Icon
Pay after delivery
USP Icon
Customers rate Zandri 9
USP Icon
More than 100,000 parts in the assortment

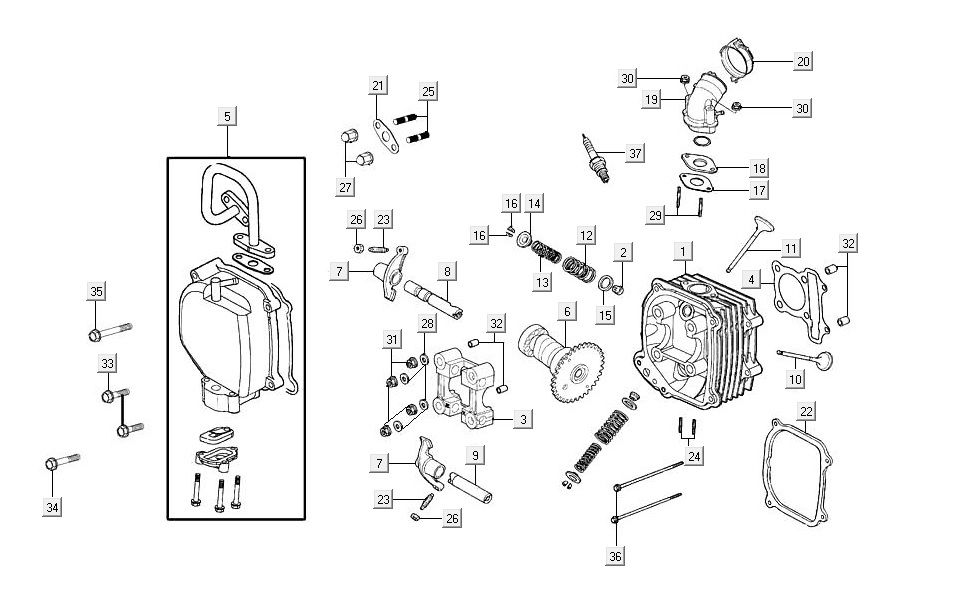
cylinder head AGILITY 16+ 4T 125 Matte Metallic Light Blue

cylinder head AGILITY 16+ 4T 125 Matte Metallic Light Blue
loader
Loading...

Spare parts Kymco AGILITY 16+ 4T 125 matt Metallic Light Blue