USP Icon
Pay after delivery
USP Icon
Customers rate Zandri 9
USP Icon
More than 100,000 parts in the assortment

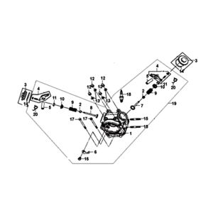
Inner crankcase cover Sym Symphony ST euro4

Inner crankcase cover Sym Symphony ST euro4
loader
Loading...

Spare parts Sym Symphony ST Euro4 (BK-001C/R-010CA) red / black