USP Icon
Pay after delivery
USP Icon
Customers rate Zandri 9
USP Icon
More than 100,000 parts in the assortment

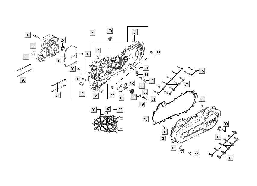
Crankcase kick start lid Kymco People S 4-stroke Elegance brown

Crankcase kick start lid Kymco People S 4-stroke Elegance brown
loader
Loading...

Spare parts Kymco People S 4-stroke Elegance brown