USP Icon
Pay after delivery
USP Icon
Customers rate Zandri 9
USP Icon
More than 100,000 parts in the assortment

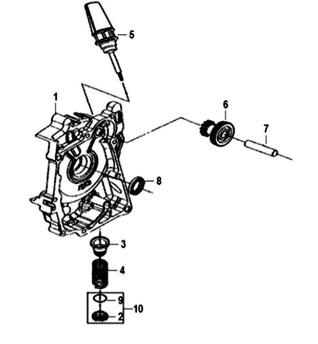
Carter rechts Sym Crox 50 E4

Carter rechts Sym Crox 50 E4
loader
Loading...