USP Icon
Pay after delivery
USP Icon
Customers rate Zandri 9
USP Icon
More than 100,000 parts in the assortment

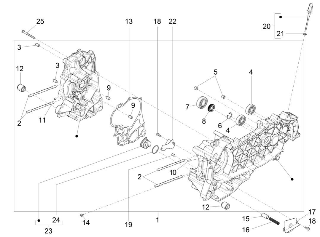
Carter Piaggio MP3 300 ie LT Business - Sport (met en zonder ABS) 2016-2018

Carter Piaggio MP3 300 ie LT Business - Sport (met en zonder ABS) 2016-2018
loader
Loading...

Piaggio MP3 300 ie E4 LT BUSINESS - SPORT NOABS-ABS 2016 - 2018 (EMEA)