USP Icon
Pay after delivery
USP Icon
Customers rate Zandri 9
USP Icon
More than 100,000 parts in the assortment

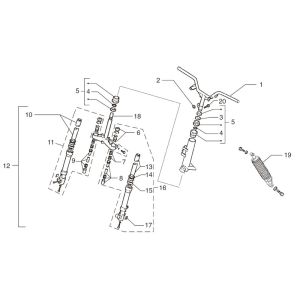
Carter Beta Ark-tribe AC silver 2009 2-stroke

Carter Beta Ark-tribe AC silver 2009 2-stroke
loader
Loading...