USP Icon
Pay after delivery
USP Icon
Customers rate Zandri 9
USP Icon
More than 100,000 parts in the assortment

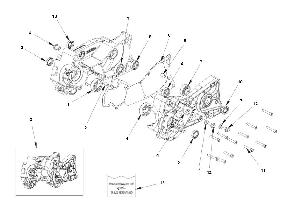
Bye-Bike Crankcase-Bye Bike Carter

Bye-Bike Crankcase-Bye Bike Carter
loader
Loading...