USP Icon
Pay after delivery
USP Icon
Customers rate Zandri 9
USP Icon
More than 100,000 parts in the assortment

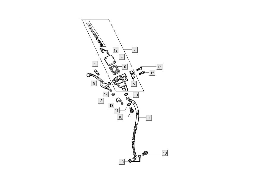
Brake pump - hose Kymco People S 4-stroke Electric blue

Brake pump - hose Kymco People S 4-stroke Electric blue
loader
Loading...

Spare parts Kymco People S 4-stroke Electric blue