USP Icon
Pay after delivery
USP Icon
Customers rate Zandri 9
USP Icon
More than 100,000 parts in the assortment

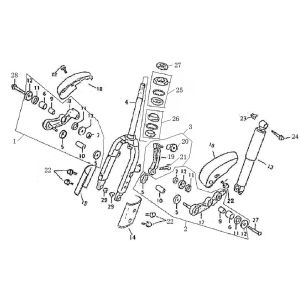
Indicator light for Fosti Retro white black

Indicator light for Fosti Retro white black
loader
Loading...

Spare parts Fosti Grande Retro white black