USP Icon
Pay after delivery
USP Icon
Customers rate Zandri 9
USP Icon
More than 100,000 parts in the assortment

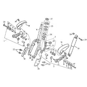
Indicator light for Fosti Retro pink

Indicator light for Fosti Retro pink
loader
Loading...

Spare parts Fosti Grande Retro pink