USP Icon
Pay after delivery
USP Icon
Customers rate Zandri 9
USP Icon
More than 100,000 parts in the assortment

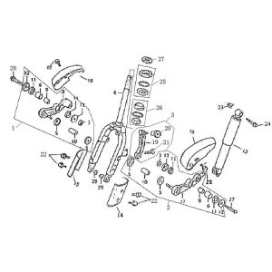
Indicator light for AGM Retro after 2013 white black

Indicator light for AGM Retro after 2013 white black
loader
Loading...

Spare parts AGM Retro 2013> white black