USP Icon
Pay after delivery
USP Icon
Customers rate Zandri 9
USP Icon
More than 100,000 parts in the assortment

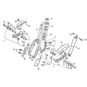
Indicator light behind Iva Roma black cream

Indicator light behind Iva Roma black cream
loader
Loading...

Spare parts Iva Roma black beige