USP Icon
Pay after delivery
USP Icon
Customers rate Zandri 9
USP Icon
More than 100,000 parts in the assortment

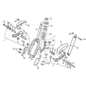
Indicator light behind BTC Grande Retro GT1 pink

Indicator light behind BTC Grande Retro GT1 pink
loader
Loading...

Spare parts BTC Grande Retro GT1 pink