USP Icon
Pay after delivery
USP Icon
Customers rate Zandri 9
USP Icon
More than 100,000 parts in the assortment

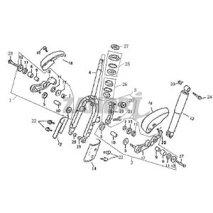
Blinker rear BTC Grande Retro GT1 blue cream metallic

Blinker rear BTC Grande Retro GT1 blue cream metallic
loader
Loading...

Spare parts BTC Grande Retro GT1 blue beige metallic