USP Icon
Pay after delivery
USP Icon
Customers rate Zandri 9
USP Icon
More than 100,000 parts in the assortment

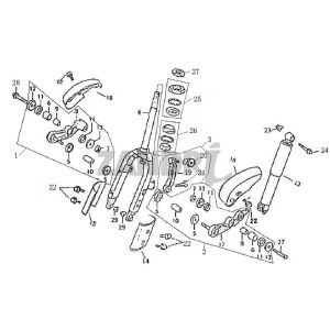
Blink rear BTC Grande Retro GT1 black cream

Blink rear BTC Grande Retro GT1 black cream
loader
Loading...

Spare parts BTC Grande Retro GT1 black beige