USP Icon
Pay after delivery
USP Icon
Customers rate Zandri 9
USP Icon
More than 100,000 parts in the assortment

Indicator light behind BTC Grande Retro creme

Indicator light behind BTC Grande Retro creme
loader
Loading...

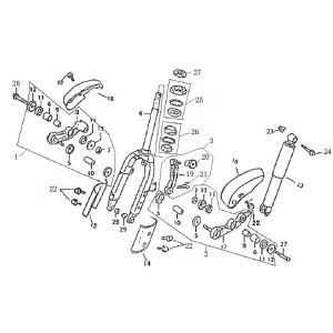
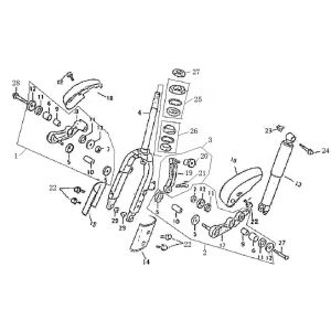
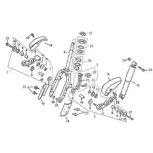
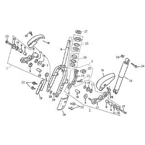
Spare parts BTC Grande Retro Euro2 <2018