USP Icon
Pay after delivery
USP Icon
Customers rate Zandri 9
USP Icon
More than 100,000 parts in the assortment

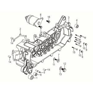
Battery - tool box Sym Symphony ST 50 E5

Battery - tool box Sym Symphony ST 50 E5
loader
Loading...